top of page
Product Design
The course offers a deeper understanding of various types of product and their industrial design. It builds expertise in handling tools and techniques to interpret their visions into products.
Course
Design Methodology
CAD Software's
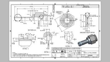
Technical Sketching and Drawing
Sketching types (Ideation, Exploration, Explanation, Persuasion)
Geometry of design
3D Printing Technology

bottom of page












